Product Model
FT-18P-2
Product Introduction
Shouguang Feitian Electronics Co., Ltd. is a high-tech enterprise specializing in the design, research and development and production of piezoelectric ceramic products. The company has a R & D team with rich experience, employs many well-known domestic experts in the piezoelectric ceramic industry, and maintains good cooperative relations with Shandong University, Tsinghua University, Chinese Academy of Sciences, Shanghai Silicate Research Institute and other units.
Product Parameters

Model | FT-18P-2 | center frequency | 2Mhz±10% | Capacitance | 650pf±20% |
resonance impedance | <150Ω | Protection level | IP65 | Working temperature | 0.1~80℃ |
Withstand voltage | 2.6Mpa | emission beam angle | 5°-10° | Receiving sensitivity | > 150mv (half wave) |
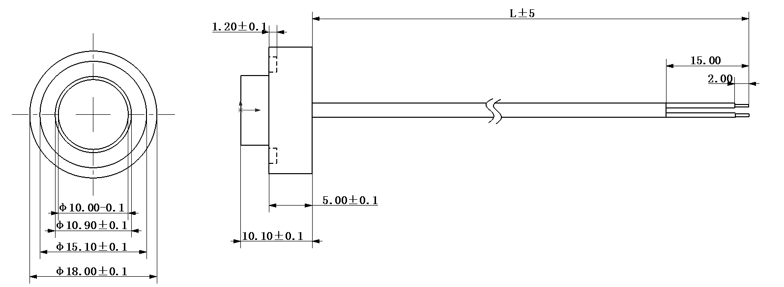
Shell material | polymer material | Emitting surface size | φ10mm | Mounting surface size | φ18x10x11mm |
Sealing mode | epoxy resin potting | Lead Position | Sensor Center | Line Type | Shielded wire |
Product
Other Products
We adhere to the "meticulous, fine" service
Create value for customers
Customer demand research
The customer proposes customized functional requirements, and the technical team analyzes the complexity of the requirements and develops a preliminary plan
Product Design and R & D
Complete product prototype design and verification, realize large-scale production and ensure product consistency
Delivery and after-sales service
Provide on-site installation guidance or remote technical support, and provide quality assurance services to quickly respond to troubleshooting needs

中文
EN
